[52坪 3LDK] LDKとアウトドアリビングが一体化、友人とのホームパーティーを快適に楽しむ家の間取り
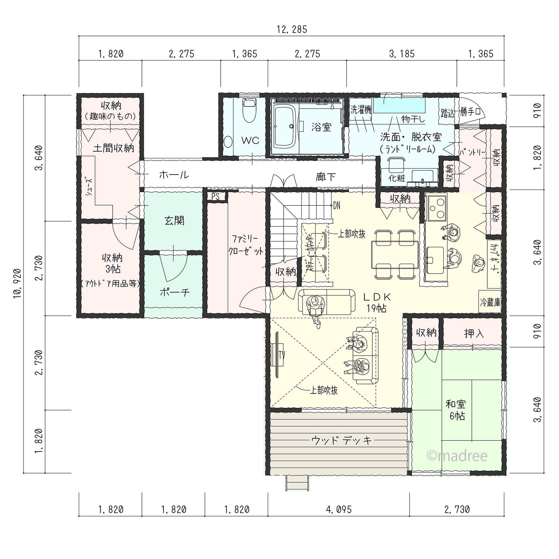
全国の建築家から間取りが集まるmadree(マドリー)で集まった52坪、3LDKの間取りです。外とつながるLDKやアウトドアリビングが特徴の注文住宅の間取りです。
LDKとアウトドアリビングが一体化、友人とのホームパーティーを快適に楽しむ家はこのような方におすすめです
・共働き夫婦、息子2歳
・趣味:アウトドア、家族でキャンプ、ホームパーティー
・リビングを中心に生活をしたい。
・来客が気軽に泊まれるようなスペースを確保したい。
LDKとアウトドアリビングが一体化、友人とのホームパーティーを快適に楽しむ家の間取りアイデア
- 屋外で非日常感楽しむ
- 趣味に夢中になれる部屋
- 子どもが自由に遊べるスペース
- ダイニング学習スペース
- 開放的なスタディースペース
- 在宅ワークスーペース
- 見守るワークスペース
- 安心して遊べる庭
- 家族を感じる書斎
- 篭れる書斎
- プライバシー守る脱衣洗面室
- 天気も視線も気にせず物干し
- 部屋干しスペースで家事効率UP
- 帰宅後即シャワーの動線
- 物をLDKに持ち込まない動線
- 片付けしながらの帰宅後動線
- バルコニーで楽々布団干し
- 景観を損ねない部屋干しスペース
- 洗濯仕事が一箇所で完結
- キッチン近くの水廻り動線
- 一列に並んだ水廻り
- 回遊性のある水廻り
- キッチン中心の回遊動線
- 風が抜ける窓の配置
- 家中を心地よく風が抜ける
- 目隠しルーバーで採光確保
- 大きな吹抜で採光確保
- 天窓/高窓から自然の光取り込む
- 適所収納で使いやすく片付ける
- 片付けが苦手でもスッキリ魅せる
- 隠せるパントリー
- 大人数に対応できるLDK
- 庭の緑に癒されるLDK
- 緩やかに区切られたLDK
- 開口窓で開放的なリビング
- 来客対応しやすい客間配置
- 来客が気軽に宿泊できる
- ウッドデッキを家事用と家族用に分ける
- 各階から快適なトイレ位置
全国対応になりました
建築家・デザイナー
からのコメント
【全体のコンセプト】
・プライベート空間を感じられる家。
【こだわりのポイント】
■配置計画
・駐車場は片持ちのカーポート3台分を設置しています。
■アプローチ/玄関周り
・アプローチを閉鎖的に取り、天吊り型のスライド門扉を設置しました。
・玄関は引き戸タイプで、すぐに手を洗えるように小型の手洗いカウンターを設置しています。
・土間収納、アウトドア用品収納、シューズクローゼットと十分な収納スペースを確保しています。
・リビングを通らず、ウォークスルーで水廻りやパントリーへ回遊できます。
■LDK
・通路部分を除いても全体で28.2帖と広く、階段周りとリビングは吹抜になっています。
・キッチンはアイランドタイプとしました。
・ホームパーティーがしやすいように、屋根付きのアウトドアリビングとオープンサッシで繋がります。
・キッチン背面にあるカウンターの並びに、ワークカウンターを設置しました。
・パントリーは2.2畳あり、ランドリールームやランドリーデッキと直接繋がっています。
・リビングは少し別空間になるように配置しました。
・和室は4.5帖で、普段は開け放てるように2面引き込み戸としました。
■水廻り
・トイレは広めの1.2帖+手洗いカウンター付きで、洗面化粧室の近くに設置しました。
・洗面化粧室は3帖あり、化粧台や収納を設置しています。
・洗面化粧室は、FCLやランドリー脱衣室と繋がっています。
・ランドリー室には洗濯機、乾燥機、アイロン台、収納などが設置してあり、室内干しにも対応できます。
・屋根付きのランドリーデッキへ直接出られるので、天気を気にせず洗濯物を干せます。
■2階
・主寝室は2台のセミダブルベッドがゆったり置ける広さで、3帖のWICと3帖の書斎が付属しています。
・書斎はホールからの出入りにすると、独立させて利用できます。
・子ども室は、4.5帖+収納の2室を繋いだ形にしてあります。
・バルコニーは屋根付きで10帖あり、ホールにミニキッチンなどの設置が可能です。
・トイレは1.5帖の広さで、収納付きの手洗いカウンターが設置できます。
52坪 3LDK関連の間取り
マドリー開発の『住宅営業支援ツール』
madreeデータバンク
マドリーの人気間取り4,800プランを接客・提案に活用できる営業支援ツール
- 競合他社と差がつく、スピード提案
- トレンド間取りで、集客・受注数UP
- 建築家のアイデアを参考に、質の高い提案ができる









