[35坪 3LDK] 陽だまりリビングに自然と集まる、土間での趣味時間も家族感じる家の間取り
全国の建築家から間取りが集まるmadree(マドリー)で集まった35坪、3LDKの間取りです。外とつながるLDKやアウトドアリビングが特徴の注文住宅の間取りです。
陽だまりリビングに自然と集まる、土間での趣味時間も家族感じる家はこのような方におすすめです
・30代共働き夫婦、長男7歳、長女0歳
・趣味:スノボード、マウンテンバイク、読書
・料理しながら、家族と会話の弾むLDK配置を希望。
・家族が自然とリビングに集まるよう、個室は必要最低限の広さにしたい。
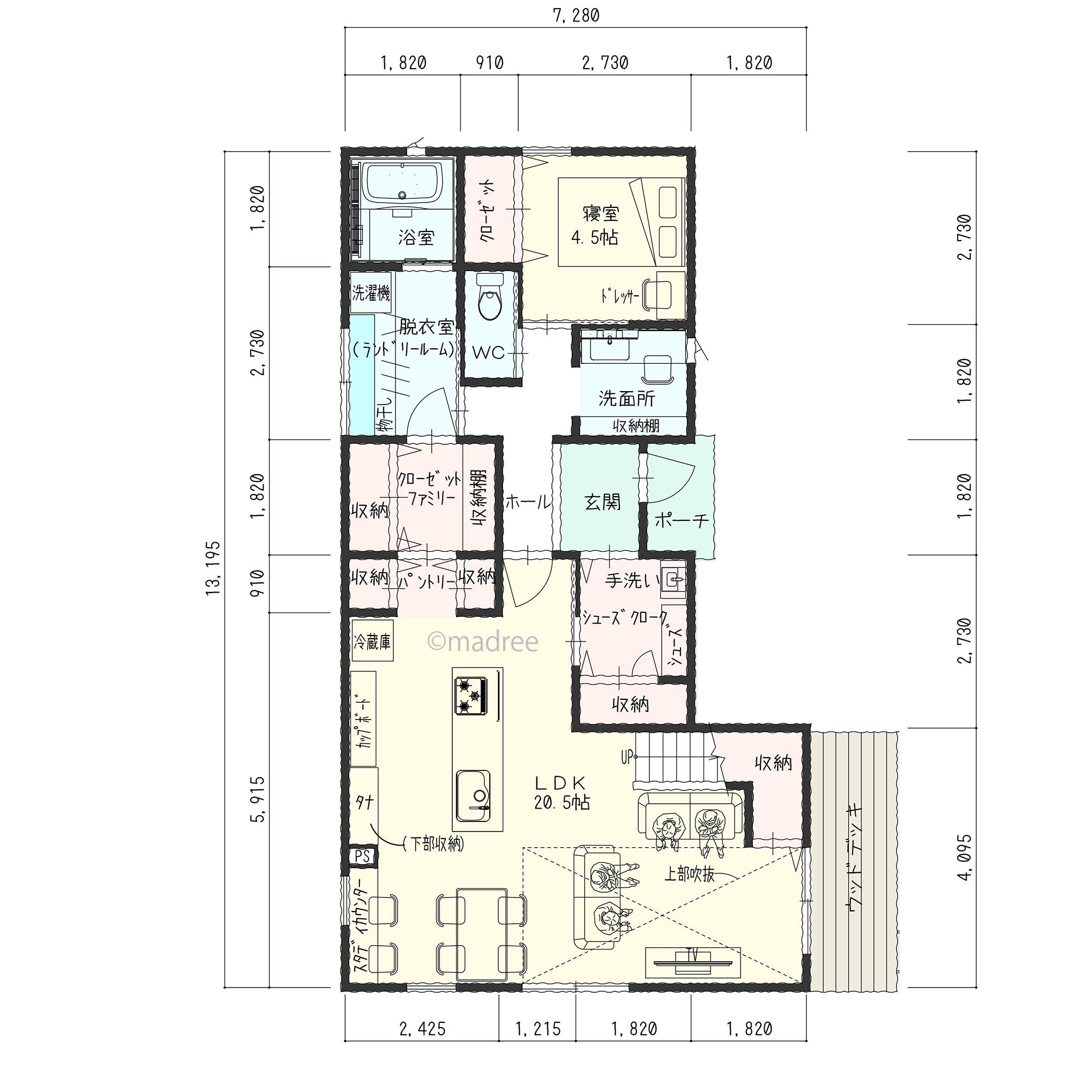
陽だまりリビングに自然と集まる、土間での趣味時間も家族感じる家の間取りアイデア
全国対応になりました
| 広さ | |
|---|---|
| 土地特徴 | |
| 階数 | |
| 部屋数 | |
| 家族人数 | |
| 特徴 | |
| 担当建築家・デザイナー |
建築家・デザイナー
からのコメント
【全体のコンセプト】
『日が射して明るく過ごせる土間のある家』
明るい光をたくさん感じられるよう、建物の配置は南東側にスペースを大きく広くとれるように考えました。リビングの大きな窓により、キッチンまで明るい空間になると思います。1階の共有スペースは広々と、2階のプライベートスペースはコンパクトにすることで、自然に家族が1階のLDKに集まるような家をイメージしました。
【各階のポイント】
■1階
・趣味のスノーボードやマウンテンバイクを収納できる広いスペースとメンテナンスもできるよう、玄関も兼ねた広い土間を考えました。メンテナンスした後や、帰宅されたお子様がすぐに手を洗えるよう、小さな手洗いもつけました。北側は大きく開口できる建具とし、大きな荷物やマウンテンバイクを入れやすくしましら。
・リビングとの間はガラスの建具とし、帰ってきた家族の様子がLDKからでもすぐ分かるよう、また、土間で道具のメンテナンスをしている際もLDKとつながりを持った空間となるよう工夫しています。
・玄関土間からパントリーを通る裏動線は、キッチンにもつながり、お買い物帰りにも便利です。
・洗面室は階段下のスペースを利用して、洗濯機と下着やタオルなどを収納できる棚を設けています。洗面台は家族が並んで使用できるよう広く確保しました。また、お天気の悪い日は部屋干しもできるよう、余裕のある空間にしています。洗濯動線は、洗面室⇔階段⇔バルコニーとできるだけ短くなるよう考えました。
■2階
・各部屋コンパクトに、しかしながら必要なスペースは確保して考えました。トイレは広めにし、階段ホールに本棚を設置しました。ファミリーライブラリーのように使用できます。
■外構
・芝とブロックを一緒に敷いた緑化ブロックのようなものを提案します。
35坪 3LDK関連の間取り
マドリー開発の『住宅営業支援ツール』
madreeデータバンク
マドリーの人気間取り4,800プランを接客・提案に活用できる営業支援ツール
- 競合他社と差がつく、スピード提案
- トレンド間取りで、集客・受注数UP
- 建築家のアイデアを参考に、質の高い提案ができる









